NSK-440RV6221-Journal Bearing

NSK-440RV6221-Journal Bearing

Name: NSK-440RV6221-Journal Bearing
Type: Journal Bearing Brand: NSK
Model: 440RV6221 Old Model:
d: 440 D: 620
B: 450

 Tel:

Drawing

Parameter

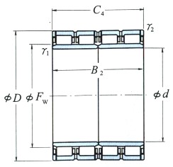
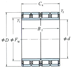
Boundary dimensions (mm)
d440
D620
B,B 2 450
C 2 450
Fw490
r 1 (Min)4
r 2 (Min)4
Rated load (N)
Cr6350000
Cor19000000
Rated load (kgf)
Cr650000
Cor1940000
Mass(kg)
(Reference)430
Bearing No.
Bearing No.440RV6221
Reference No.
Reference No.-
Fig No.
Fig No.2
Details

Wuxi Bosu Transmission Equipment Co., Ltd.specializes in selling NSK-440RV6221-Journal Bearing,Relevant information of NSK-440RV6221-Journal Bearing includes: Designation: 440RV6221 d:440 D:620 B:450 Brand:NSK Type:Journal Bearing ,Want to know more about NSK-440RV6221-Journal Bearing You can consult online or call the hotline, we will provide you with detailed service.

NSK-440RV6221-Journal Bearing is widely used.NSK-440RV6221-Journal Bearing is mainly used in construction machinery, machine tools, automobiles, metallurgy, mines, petroleum, machinery, electric power, railways and other industries. The price of NSK-440RV6221-Journal Bearing sold by the company is reasonable, the quality is guaranteed, the service in all aspects is provided, and the customer's demand is satisfied.

XWuxi Bosu Transmission Equipment Co., Ltd.
Whatsapp