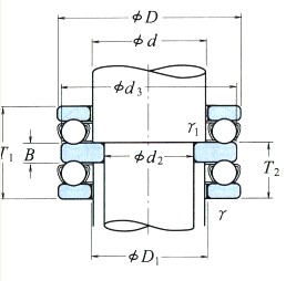
Drawing
Parameter
| Boundary dimensions |
| d 2 | 140 |
| d | 160 |
| D | 225 |
| T 1 | 90 |
| T 5 | 97.4 |
| T 7 | 110 |
| r (Min) | 1.5 |
| r 1 (Min) | 1.1 |
| Rated load (N) |
| Ca | 249000 |
| Coa | 805000 |
| Speed ratings(rpm) |
| Grease | 850 |
| Oil | 1300 |
| Bearing No. |
| Flat housing washer | 52232X |
| Aligning surface | 54232X |
| Spherical housing washer | 54232XU |
| Dimensions (mm) |
| d 3 | 2245 |
| D 1 | 163 |
| D 2 | 190 |
| D 3 | 235 |
| T 2 | 55 |
| T 6 | 58.7 |
| T 8 | 65 |
| B | 20 |
| b | 21 |
| A 1 | 70 |
| R | 160 |
| Fitting dimensions (mm) |
| Da (Max) | 190 |
| r a (Max) | 1.5 |
| r b (Max) | 1 |
| Mass(kg)(reference) |
| Flat housing washer | 11.2 |
| Aligning surface | 12.7 |
| Spherical housing washer | 16.5 |
| Rated load (kgf) |
| Ca | 25400 |
| Coa | 82000 |
Details
Wuxi Bosu Transmission Equipment Co., Ltd.specializes in selling NSK-54232XU-Thrust Bearing,Relevant information of NSK-54232XU-Thrust Bearing includes: Designation: 54232XU d:160 D:225 B:90 Brand:NSK Type:Thrust Bearing ,Want to know more about NSK-54232XU-Thrust Bearing You can consult online or call the hotline, we will provide you with detailed service.
NSK-54232XU-Thrust Bearing is widely used.NSK-54232XU-Thrust Bearing is mainly used in construction machinery, machine tools, automobiles, metallurgy, mines, petroleum, machinery, electric power, railways and other industries. The price of NSK-54232XU-Thrust Bearing sold by the company is reasonable, the quality is guaranteed, the service in all aspects is provided, and the customer's demand is satisfied.