SKF-L183448/410-Tapered Roller Bearing

SKF-L183448/410-Tapered Roller Bearing

Name: SKF-L183448/410-Tapered Roller Bearing
Type: Tapered Roller Bearing Brand: SKF
Model: L183448/410 Old Model:
d: 760 D: 889
B: 88.9

 Tel:

Drawing

Parameter

Principal dimensions mm
d760
D889
T88.9
Basic load ratings KN
dyc Cr1870
stc Cor5850
Speed ratings rpm
Speed Ratings360
Limiting Speed 530
Dimansion mm
d760
d 1 ~822
B88.9
C72
r 1,2 Min3.3
r 3,4 Min3.3
a123
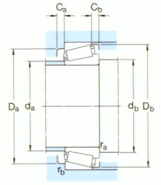
Abutment and fillet dimensions mm
d a Max785
d b Min777
Da Min854
Da Max872
Db Min872
Ca Min16
Cb Min16.5
r a Max3
r b Max3
Calculation coefficient
e0.3
Y2
Yo1.1
Pu
Pu380
Qaulity
Weight94
Designation
DesignationL183448/410
Series
SeriesL183400
Details

Wuxi Bosu Transmission Equipment Co., Ltd.specializes in selling SKF-L183448/410-Tapered Roller Bearing,Relevant information of SKF-L183448/410-Tapered Roller Bearing includes: Designation: L183448/410 d:760 D:889 B:88.9 Brand:SKF Type:Tapered Roller Bearing ,Want to know more about SKF-L183448/410-Tapered Roller Bearing You can consult online or call the hotline, we will provide you with detailed service.

SKF-L183448/410-Tapered Roller Bearing is widely used.SKF-L183448/410-Tapered Roller Bearing is mainly used in construction machinery, machine tools, automobiles, metallurgy, mines, petroleum, machinery, electric power, railways and other industries. The price of SKF-L183448/410-Tapered Roller Bearing sold by the company is reasonable, the quality is guaranteed, the service in all aspects is provided, and the customer's demand is satisfied.

XWuxi Bosu Transmission Equipment Co., Ltd.
Whatsapp