SKF-248/530CAMA/W20-Spherical Roller Bearing

SKF-248/530CAMA/W20-Spherical Roller Bearing

Name: SKF-248/530CAMA/W20-Spherical Roller Bearing
Type: Spherical Roller Bearing Brand: SKF
Model: 248/530CAMA/W20 Old Model:
d: 530 D: 650
B: 118

 Tel:

Drawing

Parameter

Principal dimensions mm
d530
D650
B118
Basic load ratings KN
dyc Cr1840
stc Cor5300
Speed ratings rpm
Speed Ratings480
Limiting Speed 950
Designation
Cylindrical Bore248/530CAMA/W20
Taper Bore248/530CAK30MA/W20
Dimansion mm
d530
d 2 ~573
D1 ~612
b-
k7.5
r 1,2 Min3
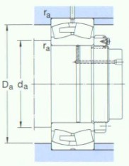
Abutment and fillet dimensions mm
d a Min543
Da Max637
r a Max2.5
Calculation coefficient
e0.15
Y14.5
Y26.7
Y04.5
Pu
Pu380
Qaulity
Weight86
Details

Wuxi Bosu Transmission Equipment Co., Ltd.specializes in selling SKF-248/530CAMA/W20-Spherical Roller Bearing,Relevant information of SKF-248/530CAMA/W20-Spherical Roller Bearing includes: Designation: 248/530CAMA/W20 d:530 D:650 B:118 Brand:SKF Type:Spherical Roller Bearing ,Want to know more about SKF-248/530CAMA/W20-Spherical Roller Bearing You can consult online or call the hotline, we will provide you with detailed service.

SKF-248/530CAMA/W20-Spherical Roller Bearing is widely used.SKF-248/530CAMA/W20-Spherical Roller Bearing is mainly used in construction machinery, machine tools, automobiles, metallurgy, mines, petroleum, machinery, electric power, railways and other industries. The price of SKF-248/530CAMA/W20-Spherical Roller Bearing sold by the company is reasonable, the quality is guaranteed, the service in all aspects is provided, and the customer's demand is satisfied.

XWuxi Bosu Transmission Equipment Co., Ltd.
Whatsapp