SKF-51164M-Thrust Ball Bearing

SKF-51164M-Thrust Ball Bearing

Name: SKF-51164M-Thrust Ball Bearing
Type: Thrust Ball Bearing Brand: SKF
Model: 51164M Old Model:
d: 320 D: 400
B: 63

 Tel:

Drawing

Parameter

Principal dimensions mm
d320
D400
H63
Basic load ratings KN
dyc Cr371
stc Cor1860
Speed ratings rpm
Speed Ratings800
Limiting Speed 1100
Designation
Designation51164M
Dimansion mm
d320
d 1 ~396
D1 ~324
r 1,2 Min2
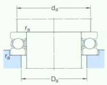
Abutment and fillet dimensions mm
d a Min368
Da Max352
r a Max2
Pu
Pu36.5
Min Loading A
Min Loading A18
Mass kg
Weight kg19
Details

Wuxi Bosu Transmission Equipment Co., Ltd.specializes in selling SKF-51164M-Thrust Ball Bearing,Relevant information of SKF-51164M-Thrust Ball Bearing includes: Designation: 51164M d:320 D:400 B:63 Brand:SKF Type:Thrust Ball Bearing ,Want to know more about SKF-51164M-Thrust Ball Bearing You can consult online or call the hotline, we will provide you with detailed service.

SKF-51164M-Thrust Ball Bearing is widely used.SKF-51164M-Thrust Ball Bearing is mainly used in construction machinery, machine tools, automobiles, metallurgy, mines, petroleum, machinery, electric power, railways and other industries. The price of SKF-51164M-Thrust Ball Bearing sold by the company is reasonable, the quality is guaranteed, the service in all aspects is provided, and the customer's demand is satisfied.

XWuxi Bosu Transmission Equipment Co., Ltd.
Whatsapp