SKF-29296-Sphercial Thrust Roller Bearing

SKF-29296-Sphercial Thrust Roller Bearing

Name: SKF-29296-Sphercial Thrust Roller Bearing
Type: Sphercial Thrust Roller Bearing Brand: SKF
Model: 29296 Old Model:
d: 480 D: 650
B: 103

 Tel:

Drawing

Parameter

Principal dimensions mm
d480
D650
H103
Basic load ratings KN
dyc Cr2350
stc Cor11800
Speed ratings rpm
Speed Ratings560
Limiting Speed 900
Dimansion mm
d480
d 1 ~635
D1 ~556
B33
B 1 99
C53.5
r 1,2 Min5
s259
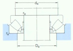
Abutment and fillet dimensions mm
d a Min570
Da Max595
r a Max4
Pu
Pu950
Min Loading A
Min Loading A13
Mass kg
Weight kg98
Designation
Designation29296
Details

Wuxi Bosu Transmission Equipment Co., Ltd.specializes in selling SKF-29296-Sphercial Thrust Roller Bearing,Relevant information of SKF-29296-Sphercial Thrust Roller Bearing includes: Designation: 29296 d:480 D:650 B:103 Brand:SKF Type:Sphercial Thrust Roller Bearing ,Want to know more about SKF-29296-Sphercial Thrust Roller Bearing You can consult online or call the hotline, we will provide you with detailed service.

SKF-29296-Sphercial Thrust Roller Bearing is widely used.SKF-29296-Sphercial Thrust Roller Bearing is mainly used in construction machinery, machine tools, automobiles, metallurgy, mines, petroleum, machinery, electric power, railways and other industries. The price of SKF-29296-Sphercial Thrust Roller Bearing sold by the company is reasonable, the quality is guaranteed, the service in all aspects is provided, and the customer's demand is satisfied.

XWuxi Bosu Transmission Equipment Co., Ltd.
Whatsapp