SKF-30302J2-Tapered Roller Bearing

SKF-30302J2-Tapered Roller Bearing

Name: SKF-30302J2-Tapered Roller Bearing
Type: Tapered Roller Bearing Brand: SKF
Model: 30302J2 Old Model:
d: 15 D: 42
B: 14.25

 Tel:

Drawing

Parameter

Principal dimensions mm
d15
D42
T14.25
Basic load ratings KN
dyc Cr22.4
stc Cor20
Speed ratings rpm
Speed Ratings13000
Limiting Speed 18000
Dimansion mm
d15
d 1 ~27.7
B13
C11
r 1,2 Min1
r 3,4 Min1
a9
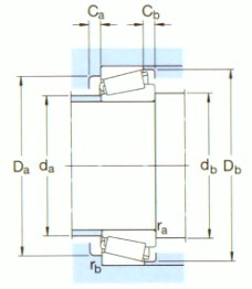
Abutment and fillet dimensions mm
d a Max22
d b Min21
Da Min36
Da Max36
Db Min38
Ca Min2
Cb Min3
r a Max1
r b Max1
Calculation coefficient
e0.28
Y2.1
Yo1.1
Pu
Pu2.08
Qaulity
Weight0.095
Designation
Designation30302J2
ISO335 Dimensions (ABMA)
ISO335 Dimensions (ABMA)2FB
Details

Wuxi Bosu Transmission Equipment Co., Ltd.specializes in selling SKF-30302J2-Tapered Roller Bearing,Relevant information of SKF-30302J2-Tapered Roller Bearing includes: Designation: 30302J2 d:15 D:42 B:14.25 Brand:SKF Type:Tapered Roller Bearing ,Want to know more about SKF-30302J2-Tapered Roller Bearing You can consult online or call the hotline, we will provide you with detailed service.

SKF-30302J2-Tapered Roller Bearing is widely used.SKF-30302J2-Tapered Roller Bearing is mainly used in construction machinery, machine tools, automobiles, metallurgy, mines, petroleum, machinery, electric power, railways and other industries. The price of SKF-30302J2-Tapered Roller Bearing sold by the company is reasonable, the quality is guaranteed, the service in all aspects is provided, and the customer's demand is satisfied.

XWuxi Bosu Transmission Equipment Co., Ltd.
Whatsapp