SKF-51218-Thrust Ball Bearing

SKF-51218-Thrust Ball Bearing

Name: SKF-51218-Thrust Ball Bearing
Type: Thrust Ball Bearing Brand: SKF
Model: 51218 Old Model:
d: 90 D: 135
B: 35

 Tel:

Drawing

Parameter

Principal dimensions mm
d90
D135
H35
Basic load ratings KN
dyc Cr119
stc Cor325
Speed ratings rpm
Speed Ratings2000
Limiting Speed 2800
Designation
Designation51218
Dimansion mm
d90
d 1 ~135
D1 ~93
r 1,2 Min1.1
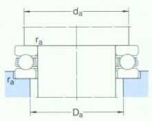
Abutment and fillet dimensions mm
d a Min117
Da Max108
r a Max1
Pu
Pu11.4
Min Loading A
Min Loading A0.55
Mass kg
Weight kg1.7
Details

Wuxi Bosu Transmission Equipment Co., Ltd.specializes in selling SKF-51218-Thrust Ball Bearing,Relevant information of SKF-51218-Thrust Ball Bearing includes: Designation: 51218 d:90 D:135 B:35 Brand:SKF Type:Thrust Ball Bearing ,Want to know more about SKF-51218-Thrust Ball Bearing You can consult online or call the hotline, we will provide you with detailed service.

SKF-51218-Thrust Ball Bearing is widely used.SKF-51218-Thrust Ball Bearing is mainly used in construction machinery, machine tools, automobiles, metallurgy, mines, petroleum, machinery, electric power, railways and other industries. The price of SKF-51218-Thrust Ball Bearing sold by the company is reasonable, the quality is guaranteed, the service in all aspects is provided, and the customer's demand is satisfied.

XWuxi Bosu Transmission Equipment Co., Ltd.
Whatsapp